Генераторы импульсов
Генераторы импульсов
Вариант простейшего генератора (мультивибратора) показан на рис. 1.30а. Схема имеет два динамических состояния. В первом из них, когда на выходе D1.1 состояние лог. "1" (выход D1.2 лог. "0"), конденсатор С1 заряжается. В процессе заряда напряжение на входе инвертора D1.1 возрастает, и при достижении значения Uпор=0,5Uпит происходит скачкообразный переход во второе динамическое состояние, в котором на выходах D1.1 лог. "О", D1.2 — "1". В этом состоянии происходит перезаряд емкости (разряд) током обратного направления. При достижении напряжения на С1 Unop происходит возврат схемы в первое динамическое состояние. Диаграмма напряжений поясняет работу. Резистор R2 является ограничительным, и его сопротивление не должно быть меньше 1 кОм, а чтобы он не влиял на расчетную частоту, номинал резистора R1 выбираем значительно больше R2 (R2<0,01R1). Ограничительный резистор (R2) иногда устанавливают последовательно с конденсатором. При использовании неполярного конденсатора С1 длительность импульсов (tи) и пауза (tо) будут почти одинаковыми: tи=to=0,7R1C1. Полный период T=1,4R1C1. Резистор R1 и конденсатор С1 могут находиться в диапазоне 20 к0м...10 МОм; 300 пф...100 мкФ.
При использовании в схеме (рис. 1.30б) двух инверторов микросхемы К561ЛН2 (они имеют на входе только один защитный диод) перезаряд конденсатора будет происходить от уровня Uпит+Unop. В результате чего симметрич-
ность импульсов нарушается tи=1,1R1C1, to=0,5R1C1, период T=1,6R1C1.

Рис. 1.30. Генератор импульсов на двух инверторах

Рис 1.31. Генератор импульсов с раздельной установкой длительности
импульса и паузы между ними

Рис. 1.32. Генератор импульсов на трех инверторах
Так как порог переключения логических элементов не соответствует точно половине напряжения питания, чтобы получить симметричность импульсов, в традиционную схему генератора можно добавить цепь из R2 и VD1, рис. 1.ЗОв.Резистор R2 позволяет подстройкой получить меандр (tи=to) на выходе генератора.
Схема на рис. 1.31 дает возможность раздельно регулировать длительность и паузу между импульсами: tи=0,8C1R1, to=0,8C1R2.
При номиналах элементов, указанных на схеме, длительность импульсов около 0,1 с, период повторения 1 с. Более стабильна частота у генераторов, выполненных на трех инверторах (Рис. 1.32). Процесс перезаряда С1 в сторону уменьшения напряжения на левой обкладке начинается от напряжения Uпит+Unop, в результате чего на это уходит больше времени tи=1,1C1R2. Полный период колебаний составит T=1,8C1R2. На рис. 1.33 приведены схемы аналогичных генераторов, которые позволяют раздельно регулировать длительность и паузу между импульсами или при неизменной частоте регулировать скважность импульсов. Мультивибратор на основе триггера Шмитта показан на рис. 1.34. Если требуется получить на выходе приведенных выше схем генераторов симметричные импульсы без подстройки, то после схемы необходимо ставить триггер или же воспользоваться схемой на трех инверторах, рис. 1.35. Элемент
D1.1 используется для создания второй цепи отрицательной обратной связи, охватывающей инвертор D1.2 (главную цепь обратной связи для сигнала образует резистор R5) Элемент микросхемы D1 1 работает в режиме с низким
коэффициентом усиления при замкнутой обратной связи подобно операционному усилителю работающему в линейной части характеристики В результате этого инвертированное пороговое напряжение инвертора D1 1 может быть просуммировано с напряжением отрицательной обратной связи и подано на вход

Рис 133 Генератор пмпульсов с раздельнои регулировкой
а) длительности импульсов и паузы между ними б) скважности импульсов

Рис 1 34 Генератор перекрывающихся импульсов

Рис 1 35 Генератор с симметричными импульсами на выходе элемента D1.2. Если соотношение R2/R1 равно отношению R3/R5 может быть получена полная компенсация ошибок обусловленных изменением пороговых напряжении элементов D1.1 и D1.2 При этом предполагается, что все элементы схемы расположены в одном корпусе и их пороговые напряжения фактически равны Частота импульсов такой схемы определяется из соотношения F=1/R5C1 (она будет примерно в два раза выше по сравнению со схемой, показанной на рис. 1.30) Симметричный мультивибратор можно выполнить на основе RS-триггере, рис 1.36.
Вариант схемы на рис 1.31в позволяет резисторы R1 и R2 выби

Рис1.36 Симметричные мультивибраторы
а) на RS триггере с двумя конденсаторами, б) с одним конденсатором,
в) с резисторами соединенными с источником питания, г) на двух RS триггерах рать более низкоомными, потому что диоды разделяют цепь заряда от выходов триггера. Вторым преимуществом этой схемы является то, что она позволяет легко и независимо регулировать в определенных границах период и скважность генерируемых импульсов. Скважность можно регулировать линейно, если R1 и R2 объединить в один потенциометр, а период — если общий конец R1 и R2 соединить с источником питания через потенциометр. С целью уменьшения количества дискретных элементов предложена схема мультивибратора на двух RS-триггерах, рис. 1.36г.

Рис. 1.37 Автогенератор на основе двух логических элементов

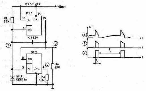
Рис. 1 38. Автогенератор на двух одновибраторах Симметричный мультивибратор можно выполнить на двух ЛЭ, рис. 1 37 или одновибраторах, рис. 1.38. Это также позволяет иметь раздельную регулировку длительности импульсов и интервала между ними. Простейшие схемы симметричных мультивибраторов приведены на рис. 1.39. При этом, если R1=R2, R3=R4, С1=С2, полный период определяется из соотношения Т=1,4RC. Генератор с малым потреблением энергии можно выполнить на двух ключах микросхемы К561КТЗ, рис. 1.40. После включения напряжения питания оба ключа разомкнуты. Конденсатор С1 разряжен, поэтому напряжения на нем нет

Рис 1 39 Симметричные мультивибраторы Зарядный ток от источника питания протекает через последовательно включенные резисторы R1 и R2. Так как R1>R2, напряжение на резисторе R2 не достигнет порога срабатывания ключа D1.2, а в дальнейшем, по мере уменьшения зарядного тока, это напряжение стремится к 0. В то же время по мере накопления заряда на конденсаторе напряжение на выводе D1/12 экспоненциально возрастает. Когда оно достигнет порога срабатывания ключа D1.1, соединится цепь между выводами 11 и 10, что приведет к срабатыванию ключа D1.2.
Сразу пос-
ле замыкания обоих ключей нижняя обкладка конденсатора С1 подключается к шине "+" питания. Заряд, накопленный ранее на конденсаторе, не может измениться мгновенно, поэтому напряжение на D1/12 скачком возрастает до уровня, превышающего Uпит на величину, равную порогу срабатывания ключа D1.1. После этого напряжение на С1 начинает уменьшаться с постоянной времени, равной C1R1R3/(R1+R3), и стремится достичь уровня, задаваемого делителем напряжения на резисторах R1, R3. В процессе перезаряда конденсатора напря-
жение на С1 уменьшится до порога размыкания ключа D1.1. В результате развивается лавинообразный процесс размыкания обоих ключей. Для защиты

Рис. 1.40. Генератор импульсов с повышенной нагрузочной способностью

Рис. 1.41. Простейшие схемы мультивибраторов с кварцевой
стабилизацией частоты ключа D1.2 от отрицательного выброса напряжения в схему вводится диод. После размыкания ключей конденсатор начинает заряжаться через последовательно включенные резисторы R1 и R2 — описанные выше процессы повторяются. При заданной емкости конденсатора длительность паузы t2 между импульсами регулируется резистором R1, однако изменение длительности паузы подбором резистора R1 приводит и к изменению длительности импульса t1. По-
этому, чтобы установить нужную длительность импульса, не меняя паузу, необходимо воспользоваться резистором R3. Регулирование параметров импульсов осуществляется в широких пределах, при этом отношение t1/t2 может быть как меньше, так и больше 1. Относительно всех автогенераторов на МОП микросхемах можно отметить, что если схема мультивибратора не симметрична, то возрастает ее чувствительность к изменению питающего напряжения (для микросхем 561-ой
серии период может меняться на 35% при изменении Uпит от 3 до 15 В), поэтому расчетные соотношения справедливы для максимального напряжения питания.

Рис. 1.42. Схемы обеспечивающие повышенную стабильность частоты при
изменении окружающей температуры в широком диапазоне При стабилизированном питании, изменение длительности импульсов мультивибраторов и частоты в генераторах на RC-цепях обычно не лучше 1% на 15°С (в случае применения термостабильных конденсаторов).Большую стабиль-
ность частоты можно получить, используя кварцевую стабилизацию. На рис. 1.41 и 1.42 приведены типовые схемы построения таких генераторов. Для небольшой подстройки частоты иногда последовательно с кварцевым резонато-
ром устанавливают конденсатор 10...100 пФ. Частота импульсов и их стабильность в этом случае у генератора задается параметрами кварцевого резонатора.